聯系人:王(wang)經(jing)理
銷售(shou)電(dian)話(hua):15610293837
銷售(shou)QQ:2962700085
公司地址(zhi):山(shan)東(dong)省(sheng)濰(wei)坊高新(xin)區新(xin)城街道玉清社(she)區光電(dian)路(lu)155號濰(wei)坊高新(xin)區光電(dian)產(chan)業加速器(qi)(壹期(qi))1號樓(lou)301

PRODUCT CENTER
聯系人:王(wang)經(jing)理
銷售(shou)電(dian)話(hua):15610293837
銷售(shou)QQ:2962700085
公司地址(zhi):山(shan)東(dong)省(sheng)濰(wei)坊高新(xin)區新(xin)城街道玉清社(she)區光電(dian)路(lu)155號濰(wei)坊高新(xin)區光電(dian)產(chan)業加速器(qi)(壹期(qi))1號樓(lou)301
液(ye)晶(jing)屏(ping)防爆(bao)氣(qi)象(xiang)站(zhan)又(you)稱防(fang)爆(bao)氣(qi)象(xiang)站(zhan), 防(fang)爆監測(ce)設(she)備(bei),液晶(jing)屏(ping)防爆(bao)氣(qi)象(xiang)站(zhan)是(shi)壹種(zhong)能(neng)在易燃(ran)易爆(bao)區(qu)域內安(an)裝和(he)使用(yong)的(de)氣(qi)象(xiang)監(jian)測設(she)備(bei),液晶(jing)屏(ping)防爆(bao)氣(qi)象(xiang)站(zhan)采用(yong)五(wu)防(fang)設計,即(ji)防(fang)水(shui)、防爆(bao)、防塵(chen)、防(fang)震(zhen)、防(fang)腐(fu),面(mian)對惡劣的(de)外(wai)在(zai)環境,液(ye)晶(jing)屏(ping)防爆(bao)氣(qi)象(xiang)站(zhan)都(dou)可以很好(hao)的(de)對(dui)氣(qi)象(xiang)變(bian)化(hua)進行實時監測(ce)。
壹、液晶(jing)屏(ping)防爆(bao)氣(qi)象(xiang)站(zhan)產(chan)品簡(jian)介
液(ye)晶(jing)屏(ping)防爆(bao)氣(qi)象(xiang)站(zhan)又(you)稱防(fang)爆(bao)氣(qi)象(xiang)站(zhan), 防(fang)爆監測(ce)設(she)備(bei),液晶(jing)屏(ping)防爆(bao)氣(qi)象(xiang)站(zhan)是(shi)壹種(zhong)能(neng)在易燃(ran)易爆(bao)區(qu)域內安(an)裝和(he)使用(yong)的(de)氣(qi)象(xiang)監(jian)測設(she)備(bei),液晶(jing)屏(ping)防爆(bao)氣(qi)象(xiang)站(zhan)采用(yong)五(wu)防(fang)設計,即(ji)防(fang)水(shui)、防爆(bao)、防塵(chen)、防(fang)震(zhen)、防(fang)腐(fu),面(mian)對惡劣的(de)外(wai)在(zai)環境,液(ye)晶(jing)屏(ping)防爆(bao)氣(qi)象(xiang)站(zhan)都(dou)可以很好(hao)的(de)對(dui)氣(qi)象(xiang)變(bian)化(hua)進行實時監測(ce)。
WX-FB01S型防(fang)爆氣(qi)象(xiang)站(zhan)是(shi)山(shan)東(dong)萬(wan)象(xiang)環境科(ke)技(ji)根據(ju)市(shi)場(chang)需(xu)求(qiu),針對化(hua)工(gong)廠、油(you)庫(ku)等(deng)特(te)殊(shu)場所而(er)研(yan)發生(sheng)產的(de)壹款(kuan)壹體化(hua)氣(qi)象(xiang)站(zhan)。它(ta)集(ji)數(shu)據(ju)采集(ji)、存(cun)儲(chu)、顯示、通訊(xun)於(yu)壹體,通過有線的(de)通(tong)訊(xun)方式與(yu)後(hou)臺上位(wei)機管理軟件或(huo)者(zhe)中控(kong)室(shi)PLC、DCS對接,進(jin)行數(shu)據(ju)的(de)處(chu)理分析。
此(ci)款(kuan)防(fang)爆(bao)氣(qi)象(xiang)站(zhan)采用(yong)了(le)防(fang)腐(fu)、防(fang)爆(bao)、防(fang)水(shui)、防震(zhen)、防(fang)塵(chen)等(deng)高防(fang)護(hu)等(deng)級的(de)設(she)計理念(nian),可(ke)滿足化(hua)工(gong)廠、油(you)庫(ku)、隧(sui)道、礦井(jing)等(deng)場景(jing)的(de)使用(yong)需(xu)求(qiu)。
二、產品(pin)特(te)點
1、頂蓋(gai)隱(yin)藏(zang)式(shi)超聲波(bo)探(tan)頭,避免雨雪堆積(ji)的(de)幹(gan)擾,避(bi)免自然風(feng)遮(zhe)擋
2、原理為(wei)發射(she)連續變(bian)頻超聲(sheng)波(bo)信號,通(tong)過(guo)測(ce)量(liang)相(xiang)對相(xiang)位(wei)來(lai)檢測風(feng)速風(feng)向
3、風(feng)速、風(feng)向、空氣(qi)溫度、濕度、大氣(qi)壓(ya)力五(wu)要(yao)素壹體式傳感器(qi)
4、485接DCS傳輸
三(san)、技(ji)術參(can)數(shu)
1、風(feng)速:0~60m/s(±0.1m/s);
2、風(feng)向:0~360°(±2°);
3、空氣(qi)溫度:-40℃~85℃(±0.3℃);
4、空氣(qi)濕(shi)度(du):0~100%RH(±2%RH);
5、大氣(qi)壓(ya)力:300-1100hpa(±0.25%);
6、屏(ping)幕:7寸液晶(jing)屏(ping),高清(qing)彩屏(ping);
7、單(dan)機(ji)版數(shu)據(ju)存(cun)儲(chu):不(bu)少(shao)於50萬(wan)條(tiao);
8、功耗(hao):7.6W
9、生(sheng)產企(qi)業具(ju)有Ex ia IIC T6 Ga高等(deng)級防(fang)爆證書(shu)☆
10、通過國家電(dian)器(qi)安(an)全(quan)質(zhi)量(liang)檢驗(yan)檢測中心(xin)檢驗(yan)☆
11、設(she)備(bei)通過(guo)GB/T 3836.1-2021《爆炸(zha)性(xing)環境 第(di)1部(bu)分:設備(bei) 通用(yong)要(yao)求(qiu)》
12、設備(bei)通過(guo)GB/T 3836.4-2021《爆炸(zha)性(xing)環境 第(di)4部(bu)分:由(you)本質(zhi)安(an)全(quan)型“i”保(bao)護的(de)設(she)備(bei)》
四、功能(neng)特(te)點
1、壹體化(hua)結(jie)構(gou)設(she)計,安(an)裝拆(chai)卸簡(jian)單(dan);
2、傳感器(qi)外殼ASA材(cai)質(zhi),耐腐(fu)蝕(shi),抗(kang)氧化(hua);
3、支持定(ding)制(zhi),可根據(ju)用(yong)戶(hu)需(xu)求(qiu)靈(ling)活配置(zhi)監測要(yao)素;
4、PC、液(ye)晶屏(ping)幕兩(liang)種(zhong)顯示方式,有線傳輸
5、五(wu)防設(she)計:防水(shui)、防爆(bao)、防塵(chen)、防(fang)震(zhen)、防(fang)腐(fu);
6、標(biao)準(zhun)modbus協(xie)議(yi),支持多(duo)種(zhong)後(hou)臺協議(yi)對(dui)接(jie),為(wei)客戶(hu)提(ti)供方便;
8、低功耗(hao)設(she)計,AC220V供電(dian);
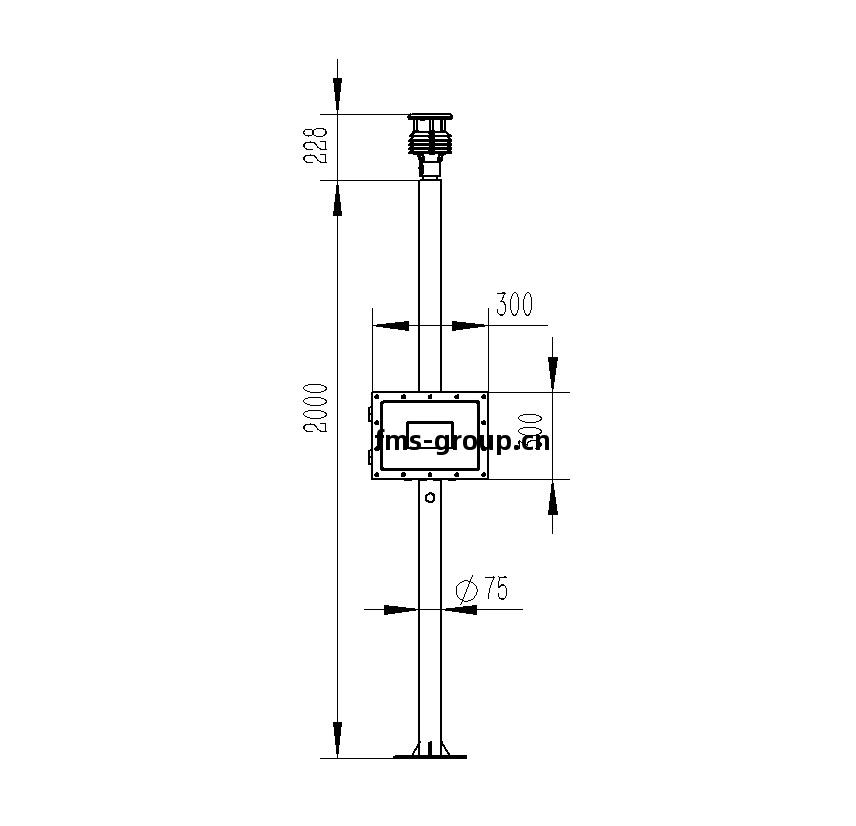
五、產(chan)品(pin)結(jie)構(gou)圖(tu)

六、產品(pin)尺(chi)寸圖(tu)

七(qi)、上位(wei)機軟(ruan)件介紹(shao)
1、PC單(dan)機(ji)版數(shu)據(ju)接(jie)收、存(cun)儲(chu)、查(zha)看(kan)、分析軟件
2、支持串(chuan)口(kou)數(shu)據(ju)接(jie)收、處(chu)理、展(zhan)示
3、支持json字(zi)符串、modbus485等(deng)通信(xin)方式
4、可(ke)自設(she)置(zhi)存(cun)儲(chu)時間,modbus485采集(ji)模(mo)式(shi)下可自(zi)設(she)置(zhi)采集(ji)時間
5、支持自(zi)助增加、刪(shan)除(chu)、修(xiu)改(gai)監(jian)測(ce)參數(shu)的(de)協(xie)議(yi)、名(ming)稱、圖(tu)標(biao)等(deng)
6、支持數(shu)據(ju)後(hou)處理功能(neng)
7、支持外(wai)置(zhi)運行javascript腳本
八(ba)、設備(bei)安(an)裝
1、確認(ren)現場工(gong)況,由(you)本公(gong)司設定(ding)安(an)裝方案(an)
2、安(an)裝簡(jian)單(dan),無需(xu)專(zhuan)業人員操(cao)作(zuo),遠(yuan)程(cheng)指(zhi)導(dao)即(ji)可(ke)安(an)裝
3、使用(yong)方無需(xu)自(zi)配零(ling)部(bu)件,由(you)本公(gong)司精(jing)細(xi)化(hua)配置(zhi),設備(bei)到(dao)場即(ji)裝(zhuang)即(ji)用(yong)
在氣(qi)象(xiang)的(de)宏大舞臺上,除(chu)了(le)那(na)些(xie)廣為(wei)人知(zhi)、影(ying)響(xiang)範(fan)圍(wei)大的(de)天(tian)氣(qi)系(xi)統(tong)外,還(hai)有壹些細(xi)微(wei)卻同(tong)樣(yang)重要(yao)的(de)氣(qi)象(xiang)變(bian)化(hua),它們(men)就像(xiang)隱(yin)藏(zang)在(zai)幕後(hou)的(de)“微(wei)表(biao)情”,雖(sui)不(bu)顯眼卻意(yi)義(yi)非(fei)凡。而(er)WX-WQX7微(wei)氣(qi)象(xiang)傳感器(qi),便是(shi)那(na)個(ge)能(neng)精(jing)準(zhun)捕(bu)捉這(zhe)些“微(wei)表(biao)情”的(de)科(ke)技(ji)精(jing)靈(ling)。氣(qi)象(xiang)世(shi)界豐富(fu)多(duo)彩,大範(fan)圍(wei)的(de)氣(qi)象(xiang)變(bian)化(hua)如狂(kuang)風(feng)驟(zhou)雨、寒(han)潮酷(ku)暑,我(wo)們(men)都能(neng)直觀感受(shou)到(dao)。但微(wei)氣(qi)象(xiang)變(bian)···
水(shui)位(wei)監測(ce),是(shi)了(le)解水(shui)體蓄積(ji)狀(zhuang)態(tai)的(de)關(guan)鍵。無論(lun)是(shi)河(he)流(liu)、湖(hu)泊還(hai)是(shi)水(shui)庫,水(shui)位(wei)的(de)升(sheng)降(jiang)都直(zhi)接(jie)關(guan)系到(dao)周邊生(sheng)態和人類(lei)社(she)會(hui)的(de)安(an)全(quan)。WX-SW3水(shui)位(wei)雨量(liang)流(liu)速(su)流(liu)量(liang)監(jian)測(ce)儀(yi)通過高精(jing)度(du)傳感器(qi),實時捕捉水(shui)位(wei)變(bian)化(hua),為(wei)防洪預(yu)警、水(shui)資源調(tiao)度提(ti)供科(ke)學依(yi)據(ju)。在(zai)洪水(shui)季節(jie),準確的(de)水(shui)位(wei)數(shu)據(ju)能(neng)幫(bang)助決(jue)策者(zhe)迅(xun)速制(zhi)定(ding)應對(dui)方案(an),保(bao)護(hu)人民(min)生(sheng)命財產安(an)全(quan);在幹(gan)旱時期(qi),水(shui)位(wei)監測(ce)則(ze)成(cheng)為(wei)水(shui)資源合理分配的(de)重(zhong)要(yao)參考(kao)。···
在水(shui)稻、小(xiao)麥等(deng)大田作(zuo)物(wu)種(zhong)植區,WX-FD2S風(feng)吸式殺(sha)蟲燈(deng)的(de)作(zuo)用(yong)十分突(tu)出(chu)。這(zhe)些作(zuo)物(wu)種(zhong)植面(mian)積(ji)廣,害(hai)蟲種(zhong)類(lei)多(duo)且(qie)繁(fan)殖快,壹旦爆發就難(nan)以控(kong)制(zhi)。殺蟲燈(deng)在(zai)夜(ye)間自動(dong)啟動,通(tong)過(guo)特(te)定(ding)光源吸引害(hai)蟲,當(dang)害(hai)蟲靠近時,強大的(de)風(feng)力會(hui)將(jiang)其(qi)迅(xun)速吸入收集(ji)裝(zhuang)置(zhi)。這(zhe)種(zhong)主動捕捉的(de)方式,能(neng)有效(xiao)減少田(tian)間害(hai)蟲基(ji)數(shu),避(bi)免害(hai)蟲大規模(mo)啃(ken)食葉(ye)片、吸食汁液,保障作(zuo)物(wu)的(de)正常(chang)生(sheng)長。···
WX-LSZ06水(shui)產養(yang)殖監測站(zhan)數(shu)據(ju)的(de)處(chu)理與(yu)分析是(shi)精(jing)準(zhun)把(ba)握(wo)水(shui)質(zhi)狀(zhuang)況的(de)關(guan)鍵。收集(ji)到(dao)的(de)原(yuan)始(shi)數(shu)據(ju)需(xu)要(yao)經過(guo)清洗、整理、校準等(deng)步驟(zhou),以確保(bao)數(shu)據(ju)的(de)準(zhun)確性(xing)和(he)可(ke)靠(kao)性。隨(sui)後(hou),利用(yong)統(tong)計學方法(fa)和數(shu)據(ju)分析軟件,對監測(ce)數(shu)據(ju)進(jin)行深(shen)入挖掘(jue)和分析,揭(jie)示(shi)水(shui)質(zhi)變(bian)化(hua)的(de)規律(lv)和(he)趨(qu)勢。這(zhe)不(bu)僅有助於(yu)及(ji)時發現潛在問(wen)題(ti),還(hai)能(neng)為(wei)制(zhi)定(ding)針對性(xing)的(de)水(shui)質(zhi)調(tiao)控(kong)措(cuo)施提(ti)供科(ke)學依(yi)據(ju)。···
WX-SFB05浮(fu)標(biao)水(shui)質(zhi)分析儀的(de)最(zui)大特(te)點在(zai)於(yu)其(qi)浮(fu)標(biao)式設計。這(zhe)種(zhong)設(she)計使得(de)儀(yi)器(qi)能(neng)夠長時間穩(wen)定(ding)地漂浮(fu)在(zai)水(shui)面(mian)上,不(bu)受(shou)水(shui)流(liu)、風(feng)浪等(deng)因素(su)的(de)影(ying)響(xiang),從而(er)實現對目標(biao)水(shui)域的(de)連續、實(shi)時監測(ce)。浮(fu)標(biao)內部(bu)搭載(zai)了(le)多(duo)種(zhong)高精(jing)度(du)傳感器(qi),能(neng)夠同(tong)時測量(liang)多(duo)種(zhong)水(shui)質(zhi)參(can)數(shu),如溶(rong)解氧、pH值、溫度、濁度、電(dian)導(dao)率(lv)等(deng),這(zhe)些參(can)數(shu)對(dui)於全(quan)面(mian)評估(gu)水(shui)質(zhi)狀(zhuang)況至(zhi)關(guan)重要(yao)。···
WX-NJD10 10km能(neng)見(jian)度(du)監(jian)測站(zhan)最(zui)可(ke)貴(gui)的(de)能(neng)力在(zai)於(yu)它(ta)的(de)"遠(yuan)見(jian)卓(zhuo)識"。普(pu)通能(neng)見(jian)度(du)儀(yi)往往只能(neng)監測幾(ji)百(bai)米範(fan)圍(wei)內的(de)霧況,而這(zhe)款(kuan)設(she)備(bei)卻能(neng)捕捉10公(gong)裏外(wai)的(de)能(neng)見(jian)度(du)變(bian)化(hua)。就像(xiang)壹位(wei)站(zhan)在(zai)高處(chu)的(de)瞭(liao)望者(zhe),它能(neng)提(ti)前發現遠處正在形成的(de)團(tuan)霧,為(wei)高速(su)公(gong)路(lu)管理部(bu)門爭(zheng)取寶(bao)貴(gui)的(de)預(yu)警時間。設備(bei)的(de)"環境適(shi)應(ying)力"同(tong)樣(yang)令(ling)人稱道(dao)。無論(lun)是(shi)盛夏(xia)的(de)濕(shi)熱(re)蒸汽還(hai)是(shi)寒(han)冬的(de)刺骨(gu)冷霧,無論(lun)是(shi)飛(fei)揚的(de)塵(chen)土還(hai)是(shi)綿綿的(de)雨幕,監(jian)測(ce)站(zhan)都(dou)能(neng)保持穩(wen)定(ding)工(gong)作(zuo)。···